
咨詢熱線0755-26993877
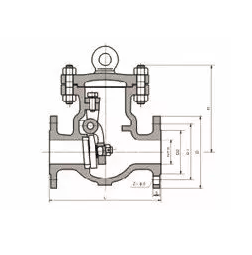
單向閥,也稱為瓣閥或止回閥,具有一個可防止系統回流的擺動盤。單向閥用于管道中以防止回流以及消防系統等沒有外部流動的地方。單向閥還用于工業應用,包括石油和天然氣生產設施,必須確保液體和氣體在流經管道時保...

止回閥,也稱為單向閥或單向閥,旨在允許流體在管道中單向流動。它們由懸掛在鉸鏈、閥瓣軸或銷上的閥瓣構成,閥瓣軸或銷安裝在閥體內閥蓋的下側。單向閥的基本設計可抑制管路中的回流。

止回閥在其應用中非常普遍,因為它們幾乎出現在所有工業應用中,充當單向閥或止回閥。止回閥是設計簡單的裝置。它們有助于執行流體控制中的重要功能。止回閥可防止逆流,從而防止損壞并確保高效運行。

截止閥有籠式引導、頂部引導、分體式、頂部和底部引導的閥體類型和旋塞引導配置。這些閥門通常用于工廠管道中,用于調節流量或壓力,并在需要時完全切斷流量。

單向閥和閘閥是灌溉和防回流設備中常見的兩種組件。在比較閥門類型時,有理由懷疑單向閥和閘閥哪個更好。簡而言之,這兩種閥門在客觀上都沒有優越性。相反,它們各自執行特定的功能,提供獨特的管道系統優勢。

微型氣體單向閥是一種精細的機械裝置,它的尺寸小到肉眼難以觀察,但卻擁有著驚人的功能。這種單向閥能夠在氣體流動的方向上提供精確的控制,從而實現氣體單向流動的目的。它的運作原理很簡單,當氣體從一側進入時,...

低壓氣體單向閥的工作原理主要是依靠內部結構來實現的。它主要由閥座、閥瓣和彈簧等組成。當氣體向一個方向流動時,閥瓣在氣體壓力的作用下打開,氣體通過閥座和閥瓣之間的縫隙流過;而當氣體流向相反方向時,閥瓣在...

先導式不銹鋼氣體單向閥是一種較為復雜的閥門,它主要由主閥和電磁先導閥兩部分組成。主閥包含進出口、閥座和閥瓣等部件,而電磁先導閥則用于控制主閥的開關。

在氣體輸送系統中,單向閥的作用至關重要。它能防止氣體在管道中反向流動,保證氣體只能朝著一個方向流動。在實際應用中,單向閥廣泛應用于各種氣體輸送系統,如壓縮空氣、天然氣和其它工業氣體。

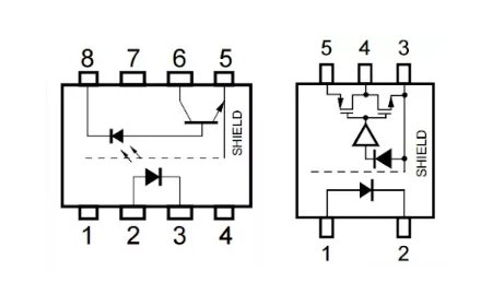
國產光耦繼電器和進口光耦繼電器的區別主要表現在以下幾個方面:(1)生產技術方面的區別:雖然國產光耦繼電器和進口光耦繼電器都采用了相似的生產技術,但在某些細節方面,如制造工藝、材料選擇等方面仍存在一定的...
