直線位移傳感器是一種常見的測量儀器,常用于機械手臂的控制、工業流水線的監測等應用場景。在使用直線位移傳感器時,正確連接傳感器與電路是保證其正常工作的關鍵。本文將為您介紹直線位移傳感器的接線方法。
首先,我們需要了解直線位移傳感器的工作原理和輸出信號類型。直線位移傳感器通過感受物體的位移,將位移變化轉化為電信號輸出。其輸出信號類型包括模擬信號和數字信號。

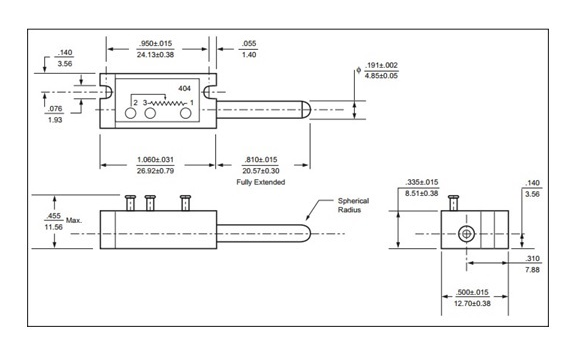
在連接直線位移傳感器時,我們需要考慮電源接口、輸入輸出接口以及信號輸入輸出接口的連接方式。通常,電源接口采用圓形插口,與電源線相連。輸入輸出接口通常采用USB接口或藍牙連接方式。而信號輸入輸出接口則根據傳感器的類型和規格有所不同。
一、在連接直線位移傳感器時,需要注意以下幾點:
1.確認電源極性,確保正確連接電源線。
2.檢查傳感器與電路板的連接線是否匹配,如需轉接需使用對應轉接器。
3.注意接口類型,如USB接口、藍牙連接等,需根據傳感器型號選擇正確的連接方式。
4.對于模擬信號輸出的傳感器,需要注意信號線的正負極性,避免出現誤差。
5.對于數字信號輸出的傳感器,需要正確配置波特率和通信協議,以確保數據傳輸的準確性。
在實際應用中,直線位移傳感器常用于機械手臂的控制和工業流水線的監測。
二、直線位移傳感器在安裝和使用傳感器時,需要注意以下事項:
1.選擇合適的安裝位置,避免干擾和碰撞對傳感器的影響。
2.確保傳感器與被測物體之間的接觸良好,以獲取準確的測量結果。
3.注意傳感器的參考零點位置,避免誤差累積導致測量不準確。
4.對于長時間使用的傳感器,需要定期進行校準和維護,以確保其測量精度。
總之,正確連接直線位移傳感器是保證其正常工作的關鍵。在連接時,需注意電源接口、輸入輸出接口以及信號輸入輸出接口的連接方式,并注意接口類型和配置。在實際應用中,需選擇合適的安裝位置,確保傳感器與被測物體之間的接觸良好,并注意參考零點位置和定期校準維護。

